
固定盘式真空过滤机
- DUJ型固定盘式水平真空带式过滤机常用简称:固定盘过滤机,带式过滤机,洗料机,洗浆机。结构特征:金属或非金属滤盘,间歇驱动。运行特征:抽滤时不前进,前进时不抽滤。突出优点:精准洗涤,滤液洗液可严格分开,使用环境好。更适用于:高洗涤要求;滤液作为产品;精细化。D…
- 咨询热线:15268705155
更适用于:高洗涤要求;滤液作为产品;精细化。
DUJ型固定盘式水平真空带式过滤机概述:
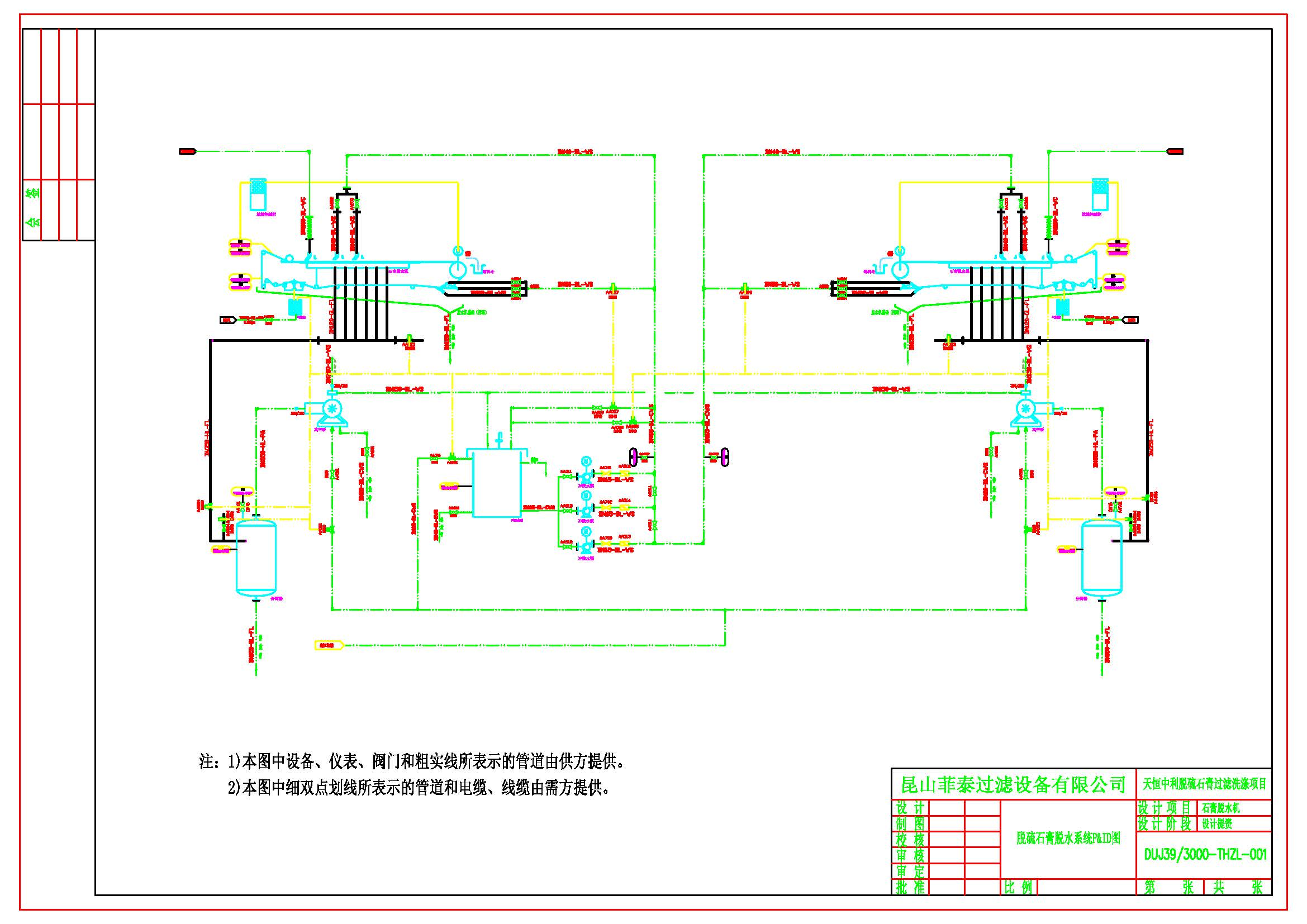
DUJ型固定盘水平真空带滤机是在DJ 型的基础上改进而成,使用驱动电机取代驱动气缸;它主要由进料装置、驱动装置、驱动辊、真空室(滤盘)、滤布、滤布张紧装置、滤布导向装置、滤布清洗装置、滤饼洗涤装置、真空大气切换阀、气控箱、卸料装置等组成。工作时,料浆连续加在滤带上;滤布前进时:滤布在驱动电机及驱动辊的作用下向前移动,此时真空室(滤盘)与真空系统断开连接;进行过滤时:滤布与真空室(滤盘)处于相对静止状态,此时真空室(滤盘)与真空系统连通,驱动电机的启停状态处于“停”;固相物被滤布截留并在真空抽吸作用下形成滤饼;滤饼依次经过过滤区,洗涤区,吸干区而在卸料区排出;液体穿过滤布,经真空室(滤盘)、真空管道、分离器而被分离。该机特点是进行抽吸过滤时,滤盘与滤布均处静止状态,滤盘连通真空系统;滤带移动时,滤盘与真空系统断开并释放真空;由驱动电机及驱动辊带动滤布移动一个行程,如此不断进行而完成过滤循环。
DUJ型固定盘式水平真空带式过滤机特点:
※相比DU型,DUJ型能耗低,用水量少。
※相比DU型,DUJ型操作环境好,价格低,维护方便,运行费用省。
※可适用于多级并流或逆流洗涤,滤饼纯度高,母液及洗液浓度高,洗水利用率高。
※过滤面水平布置,特别适用于颗粒沉降速度快,粒径分布范围宽的物料过滤。
※过滤循环周期可以在大范围内变动,能适用于料浆过滤性能变化大的场合。
※滤盘可使用金属或非金属耐腐材料制造,可适用于各种耐腐性强的物料。
※滤带受力小,滤带的再生洗涤效率高,滤带使用寿命长。
※过滤区,洗涤区,吸干区的分布可按工艺要求调整。
※滤饼的含湿率低,并可附加滤饼的压干装置及吹干装置等附加装置。
※设备操作、维修方便。
DUJ型固定盘式水平真空带式过滤机主要参数:
DUJ型制造过程和使用现场实景照片: